Hydraulic presses > IR P 120
Hydraulic press IR P 120
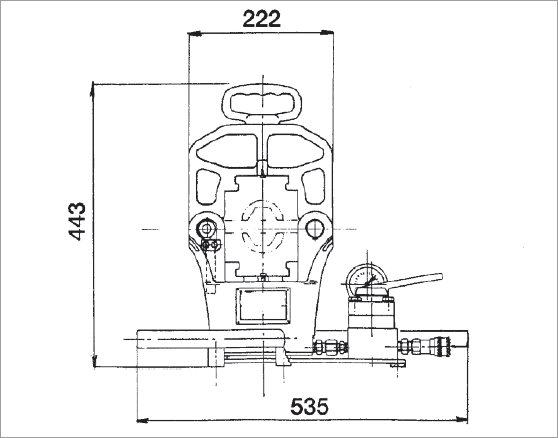
Hydraulic press
Hydraulic Press of 120 tons compressive capacity, suitable for compression of joints on conductors and steel ropes for high voltage electric lines. The pressing cycle, thanks to the hydraulic return of the piston, has been greatly improved. This press can use either rectangular or round dies.
Specifications
| Max pressing force | 120 tons working pressure max 700 bar |
| Press weight | kg 51 |
| Weight/Power ratio | ton/kg 2,3 |
| Rectang. die weight | kg 7,5 |
| Round die weight | kg 2,5 |
| Max hexagon | mm 65 |
| Max stroke | mm 25 |
| Case | cm 50x70x62H |
Dies and tools IR P 120
Dies items are made of high tensile alloy steel, hot forged, heat-treated and precision machined. Dies maximum hexagon 65 mm.